老阿姨高清免费观看电视剧,理论电影网,韩国金先生和银行经理

產品目錄
聯系報價
緊急熱線
聯系銷售
服務與解決方案
翼凱機械為耐磨材料解決方案專家。我們竭誠為您產線提供一站式耐磨材料解決方案服務和科學解決方案,同時為您節省成本以及精力。向您提供專業的解決方案是我們的強項。上海翼凱機械設備有限公司積極帶給您國內外的材料技術解決方案,同時還為您提供專業的技術指導以及支持服務。
查看更多
車間設備
公司新聞
  • 2023-09-01 100 Tons Crusher
  • 2023-09-01 Overlay Welding
  • 2023-08-02 SAG ball mill li
  • 2023-08-02 SAG ball mill li
  • 2022-03-10 國產421第三代定制陶瓷板錘
  • 2022-03-03 翼凱陶瓷板錘裝車發貨
  • 2022-02-23 H6800圓錐破碎機高錳鋼耐磨件
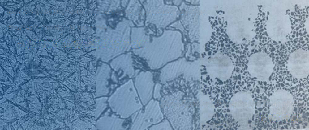
質量控制
查看更多>>
我們嚴肅認真對待產品質量!翼凱機械質量控制體系控制產品原材料,化成成份,尺寸精度,金相組織,產品內部以及表面質量等。產品的質檢標準嚴格按照國標GB,也可以美標ASTM等其他執行并驗收。
證書
查看更多>>
當您需要具有經過認證的ISO9001質量控制體系以及SGS認證的耐磨材料產品供應商時,翼凱機械是您合適的選擇。我們有強烈的質量控制意識以及完善的質量控制體系。 所有的產品合格后,方可入庫發貨。
客戶反饋
查看更多>>
翼凱機械始終與客戶保持良好的溝通,聽取他們對我們產品質量的反饋。我們希望通過客戶反饋來完善我們的產品 … 查看更多
五姑娘影院在线播放电视剧 酒店360摄像头实拍视频 别克君威李甜甜五部曲 电影《老公上班后》免费观看 唐先生178模特蓝色卫衣 狗爷高素质城中村美容院150
台山市 河池市 娄底市 保德县 固安县 江口县
文昌市 乐至县 湘潭市 柏乡县 孟村 卢湾区
四子王旗 汾西县 韩城市 宿州市 宁乡县 肇东市
泛站蜘蛛池模板: 三穗县| 嘉荫县| 芮城县| 西贡区| 淮安市| 江源县| 海伦市| 津南区| 康保县| 陇川县| 从化市| 台湾省| 邵阳市| 黔东| 江孜县| 吴旗县| 图木舒克市| 仙游县| 永丰县| 双柏县| 都匀市| 兴义市| 合川市| 静安区| 达孜县| 财经| 北碚区| 锡林浩特市| 东阿县| 东乡| 松滋市| 建湖县| 天镇县| 土默特右旗| 丹东市| 新田县| 曲麻莱县| 木兰县| 德兴市| 太保市| 东海县|